| 型号 | PTE-RM2AN |
| 工作原理 | 光电传感器 |
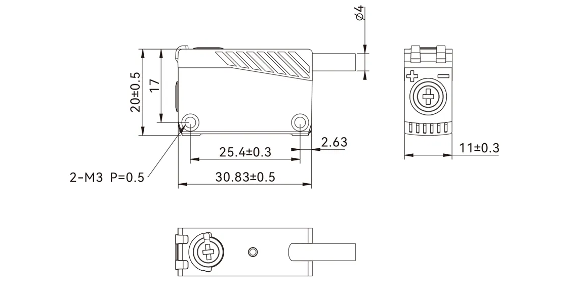
| 外壳样式 | 方形 |
| 光学工作原理 | 回归反射 |
| 检测距离 | 2m |
| 光斑尺寸 | 2m处:4cm * 4cm |
| 检测物 | 18mm |
| 光源 | 红光LED 660nm(调制) |
| 指示灯 | 工作指示灯:绿色;动作指示灯:红色 |
| 灵敏性调节 | 单圈电位器 |
| 开关模式 | L.on(入光动作)/D.on(遮光动作)可切换 |
| 输出模式 | NPN集电极开路 |
| 响应时间 | ≤1ms |
| 开关频率 | 500Hz |
| 工作电压 | 10~30V DC |
| 消耗电流 | ≤21mA |
| 残余电压 | <1.5V(负载电流≤100mA) |
| 负载电流 | ≤100mA |
| 保护电路 | 反极性保护/浪涌保护/短路保护 |
| 工作环境温度 | -25~55℃(无冻结) |
| 储存温度 | -30~﹢70℃ |
| 工作环境湿度 | 35~85%RH(无凝露) |
| 储存湿度 | 35~95%RH |
| 环境照度 | 白炽灯≤3000 Lux;阳光照射≤10000 Lux |
| 抗振性 | 10~55Hz,1.5mm振幅,X、Y、Z三个方向各2小时 |
| 防护等级 | IP67 |
| 最大拧紧扭矩 | ≤0.5Nm |
| 连接方式 | 2M/3芯电缆 4mm直径 |
| 尺寸 | 20.0x31.0x11.0mm |
| 材料 | PBT |
| 重量 | 0.050kg |
| 配件 | 螺丝刀、支架、螺丝螺母 |
















